一、开关电源的控制结构
一般地,开关电源大致由输入电路、变换器、控制电路、输出电路四个主体组成。如果细致划分,它包括:输入滤波、输入整流、开关电路、采样、基准电源、比较放大、震荡器、V/F转换、基极驱动、输出整流、输出滤波电路等。实际的开关电源还要有保护电路、功率因素校正电路、同步整流驱动电路及其它一些辅助电路等。下面是一个典型的开关电源原理框图,掌握它对我们理解开关电源有重要意义。

根据控制类型不同,PM(脉冲调制)电路可能有多种形式。这里是典型的PFM结构。作用:把输入电网交流电源转化为符合要求的开关电源直流输入电源。有电容输入型、扼流圈输入型两种,开关电源多数为前者。含开关电路、输出隔离(变压器)电路等,是开关电源电源变换的主通道,完成对带有功率的电源波形进行斩波调制和输出。功率器件:最常用的有GTR、MOSFET、IGBT。调制方式:PWM、PFM、混合型三种。PWM最常用。分无抽头、带抽头。半波整流、倍流整流时,无须抽头,全波时必须有抽头。向驱动电路提供调制后的矩形脉冲,达到调节输出电压的目的。基准电路:提供电压基准。如并联型基准LM358、AD589,串联型基准AD581、REF192等。比较放大:把采样信号和基准信号比较,产生误差信号,用于控制电源PM电路。基极驱动电路:把调制后的振荡信号转换成合适的控制信号,驱动开关管的基极。把输出电压整流成脉动直流,并平滑成低纹波直流电压。输出整流技术现在又有半波、全波、恒功率、倍流、同步等整流方式。
各类拓补结构电源分析

在开关管S通时,输入电源通过L平波和C滤波后向负载端提供电流;当S关断后,L通过二极管续流,保持负载电流连续。输出电压因为占空比作用,不会超过输入电源电压。利用同样的方法,根据稳态时电感L的充放电伏秒积相等的原理,可以推导出电压关系:

这个电路的开关管和负载构成并联。在S通时,电流通过L平波,电源对L充电。当S断时,L向负载及电源放电,输出电压将是输入电压Ui+UL,因而有升压作用。Buck-Boost电路:升/降压斩波器,入出极性相反,电感传输。

S通时,输入电源仅对电感充电,当S断时,再通过电感对负载放电来实现电源传输。Cuk电路:升/降压斩波器,入出极性相反,电容传输。

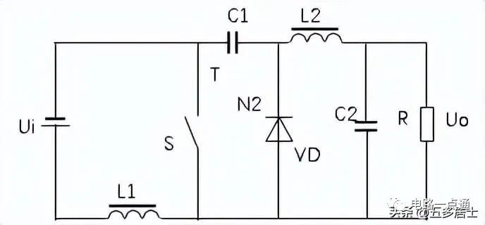
当开关S闭合时,Ui对L1充电。当S断开时,Ui+EL1通过VD对C1进行充电。再当S闭合时,VD关断,C1通过L2、C2滤波对负载放电,L1继续充电。

S1和S2轮流导通,将在二次侧产生交变的脉动电流,经过全波整流转换为直流信号,再经L、C滤波,送给负载。由于电感L在开关之后,所以当变比为1时,它实际上类似于降压变换器。当S1和S2轮流导通时,一次侧将通过电源-S1-T-C2-电源及电源-C1-T-S2-电源产生交变电流,从而在二次侧产生交变的脉动电流,经过全波整流转换为直流信号,再经L、C滤波,送给负载。


当S1、S3和S2、S4两两轮流导通时,一次侧将通过电源-S2-T-S4-电源及电源-S1-T-S3-电源产生交变电流,从而在二次侧产生交变的脉动电流,经过全波整流转换为直流信号,再经L、C滤波,送给负载。

当S导通时,原边经过输入电源-N1-S-输入电源,产生电流。当S断开时,N1能量转移到N3,经N3-电源-VD3向输入端释放能量,避免变压器过饱和。VD1用于整流,VD2用于S断开期间续流。

当S导通时,Ui对L1充电。当S断开时,Ui+EL1对C11及变压器原边放电,同时给C11充电,电流方向从上向下。附边感应出脉动直流信号,通过VD对C12反向充电。在S导通期间,C12的反压将使VD关断,并通过L2、C2 滤波后,对负载放电。这里的C12明显是用于传递能量的,所以Cuk电路是电容传输变换电路。

该电路与推挽电路类似。不同的是,在主通路上串联了一个电感。其作用是在S1、S2断开期间,使得变压器能量转移到N3绕组,通过VD3回馈到输入端。

该电路也与推挽电路类似,并在主通路上串联了一个电感。在开关导通期间,L积蓄能量。当一侧开关断开时,电感电动势和Ui叠加在一起,对另一侧放电。因此,L有升压作用。在脉冲调制电路中,加入R、L谐振电路,使得流过开关的电流及管子两端的压降为准正弦波。这种开关电源成为谐振式开关电源。利用一定的控制技术,可以实现开关管在电流或电压波形过零时切换,这样对缩小电源体积,增大电源控制能力,提高开关速度,改善纹波都有极大好处。所以谐振开关电源是当前开关电源发展的主流技术。又分为:脉冲调制变换器:驱动波形为方波。PWM、PFM、混合式。谐振式变换器:驱动波形为正弦波。又分ZCS(零电流谐振开关)、ZVS(零电压谐振开关)两种。3)Buck-Boost:升/降压斩波器,入出极性相反,电感传输。4)Cuk:升/降压斩波器,入出极性相反,电容传输。