大功率变频器开关电源电路工作原理
大功率变频器开关电源电路工作原理
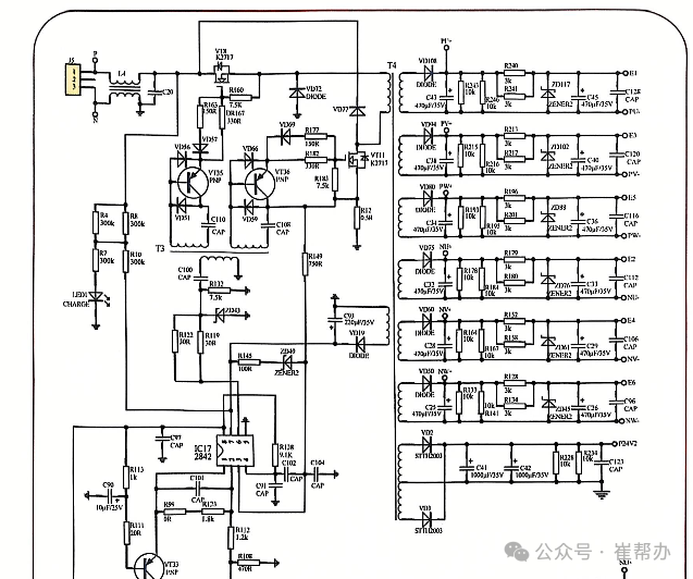
大功率变频器所需电源容量较大(尤其是驱动电路),需要较大的功率输出能力,故开关电源电路与小功率变频器有了明显不同。通常大功率变频器的开关电源电路有两个:一个专门为整机控制电路供电,另一个为IPM模块内部驱动电路供电。
从主要元器件数量上来看,通常大功率变频器的开关电源电路有4个开关变压器、4个开关管。而且大功率变频器的开关电源电路多采用双端正激式开关电路,该电路的工作原理如图4-23所示。

(1)双端正激电路中,变压器T起隔离和变压作用,在输出端加一个电感器L(续流电感),起能量储存及传递作用。输出回路中需有一个整流二极管D3和一个续流二极管D4。
(2)当开关管 Q1 和Q2 同时导通时,输入电压V全部加到变压器T初级线圈上产生的感应电压,使二极管D1 和D2 截止,而次级线圈上感应的电压,使整流二极管 D3 导通,并通过电感器L和电容器C组成的LC滤波电路为负载R供电,同时在变压器T中建立起磁化电流。
(3)当开关管 Q1和 Q2截止时,整流二极管D3 截止,电感器L上的电压极性反转并通过续流二极管D4 继续向负载供电。变压器T中的磁化电流则通过初级线圈、二极管 D1 和D2 向输入电压V 释放而去磁;这样在下次两个开关管导通时不会损坏开关管。
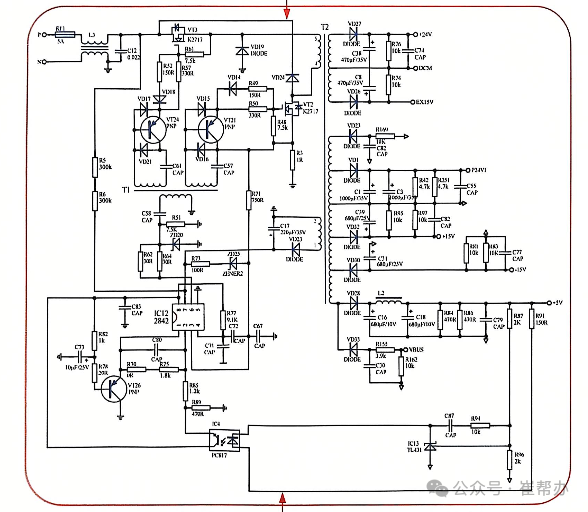
图 4-24所示为大功率变频器开关电源电路图(AB变频器),第一个开关电源电路主要为IGBT驱动电路供电,第二个开关电源电路为CPU、显示面板等控制电路供电。两个开关电源电路基本相同,我们主要讲解第二个开关电源电路。





(1)PWM控制器启动:当530V 直流电压经启动电阻器 R5、R6分压后,加到PWM 控制器 IC12(2842)的第7引脚,为其提供启动电压。
(2)IC12电源芯片启动后,其内部电路开始工作,第6引脚内部连接的 PWM 波形成电路产生振荡脉冲,并由第6引脚输出,经电阻器R62、R64,再由电阻器R51、稳压二极管ZD20消噪和正向限幅后,加到激励变压器 T1的初级线圈产生感应电压。然后在T1 的次级线圈产生感应电压,经过整流滤波后输出同相位的两路脉冲,同步驱动开关管 VT3 和VT2。
(3)当开关管 VT3 和VT2 同时导通时,530V输入电压全部加到开关变压器T2 初级线圈上产生的感应电压,使二极管VD24和VD19截止。同时在开关变压器T2的1-2反馈绕组也感应出1正2负的正反馈电压,该电压经整流二极管 VD23、滤波电容器 C17 整流滤波后加到IC12芯片的第7引脚的 VCC端,为PWM控制器提供自供电,取代启动电路维持电源正常振荡
(4)与此同时,在开关变压器T2次级线圈上感应的电压,通过整流二极管VD27 和滤波电容器 C38 整流滤波后输出24V供电电压,与此同时在开变压器T2 中建立起磁化电流。
(5)当开关管VT3和VT2同时截止时,整流二极管VD27截止,此阶段为储能阶段,通过滤波电容器C38放电继续输出24V电压。开关变压器T2中的磁化电流则通过初级线圈、二极管VD24 和VD19向530V 输入电源释放而去磁,这样在下次两个开关管导通时不会损坏开关管。
同类文章排行
- 我国氢能产业发展迎来重要窗口期
- 关于矿用整流柜的使用环境
- 整流柜有哪些外形特征?
- 关于高频开关电源发展的四大趋势
- 我国新能源发展现状
- 国家能源局:可再生能源,完善绿色电力
- 氢能在工业领域的妙用:你知道多少?
- 国家能源局组织发布《新型电力系统发展蓝皮书》
- 2023世界氢能技术大会中外对话:氢能国际合作机遇与挑战
- 中国氢能产业具备10万亿规模潜力







关注微信
手机网站
微信咨询