欢迎光临湘潭方正电气成套设备有限公司

大功率高频开关电源,整流柜,硅整流设备,牵引整流器,电化学整流器,湖南高频电源-方正电气

专注整流电气设备20年 科研、开发、生产、经营、技术服务为一体的高新技术股份制企业

全国咨询热线

0731-58250618
当前位置:主页>新闻动态 > 行业动态 >

变压器、整流器、逆变器、DC-DC变换器的区别

文章出处: 人气: 发表时间:2025-05-28 04:11:29
我们都知道,电源有交流电和直流电之分。但在很多情况下,需要在这些电源之间进行变换。

图片



交流变交流,用的是变压器



变压器是根据电磁感应原理制成的一种变换交流电压的设备。变压器一般有初级和次级两个互相独立绕组,这两个绕组共用一个铁芯.变压器初级绕组接通交流电源,在绕组内流过交变电流产生磁势,于是在闭合铁芯中就有交变磁通。初、次级绕组切割磁力线,在次级就能感应出相同频率的交流电。变压器既可以降压,也可以升压,甚至用来隔离而不改变电压值。
图片



交流变直流用的是整流器



常见的是整流二极管和晶闸管。几乎所有的家用电器和电脑中都有整流器,安装在电器的电源中。如下图所示是桥式整流电路的原理示意图,将交流电转换成直流电。
图片
桥式整流电路整个周期的电流方向
图片



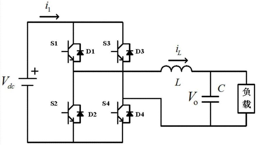
直流变交流,用的是逆变器



逆变一般通过MOS管来实现,从原理上可以分为半桥逆变电路和全桥逆变电路。下面以全桥逆变为例,介绍逆变的过程。
图片
全桥逆变主要由四个MOS管构成,有两个桥臂,在工作时每个桥臂不能同时导通,对边桥臂导通。

在MOS管的栅极,由控制板所输出的PWM信号来控制,通过改变方波的占空比可以实现正弦波幅度的控制,这里在程序上涉及到比较复杂的矢量控制/磁场导向控制FOC。原理如下动态图所示。
图片



直流变直流,用的是DC-DC变换器



常用在仪器仪表中。DC-DC转换器就是重复通断开关,把直流电压或电流转换成高频方波电压或电流,再经整流平滑变为直流电压输出。


在线
客服

在线客服服务时间:9:00-24:00

选择下列产品马上在线沟通:

客服
热线

0731-58250618
客服服务热线

微信
咨询

微信咨询
顶部