可控硅(SCR)深度解析:从原理到应用
三极管(BJT)通过基极电流控制集电极-发射极电流,属于电流驱动型器件,但其存在两大缺陷: 可控硅(Silicon Controlled Rectifier, SCR)是一种半控型电力电子器件,核心特点为: 以单向可控硅为例:也叫单向晶闸管(SCR)是指触发后只允许一个方向的电流流过的半导体器件,相当于一个可控的整流二极管。它是由P-N-P-N共4层3个PN结组成的,被广泛应用于可控整流、交流调压、逆变器和开关电源电路中。 在交流电应用中,工程师常采用移相触发技术。假设交流电是规律起伏的正弦波,通过调整触发脉冲在波形上的位置(相位角),就能控制每个周期内电流导通的时间比例:一、基础认知:可控硅与三极管的本质区别
1. 三极管的局限性

2. 可控硅的革命性设计

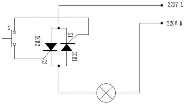
二、可控硅的结构与端子定义


三、触发原理:为什么需要脉冲信号?
1. 触发条件
2. 脉冲信号的必要性
为什么需要脉冲信号?这要从可控硅的触发机制说起。当阳极-阴极间施加正向电压时,门极只需注入50mA级别(具体值依型号而定)的瞬时电流,就能在器件内部形成导通所需的载流子雪崩效应。脉冲触发具有三重优势:
四、可控硅如何控制电流大小?
1. 导通角控制
2. 实际控制方法
五、接线要求与保护措施
1. 典型接线
交流电源 → 负载(灯泡) → 可控硅(A-K) → 返回电源
门极(G) → 触发电路(含隔离光耦)
2. 必选保护组件
六、常见问题与解决方案
现象 原因 解决措施 触发后不导通 门极电流不足 增大触发脉冲幅值或宽度 异常发热 散热不良或过载 加强散热,检查负载电流是否超限 关断失效 维持电流过高 增加关断反向电压或串联关断电路
交流电的电流方向会随时间周期性变化,常见的市电就是交流电,比如我们日常使用的220V市电,频率一般为50Hz(即每秒电流方向改变50次)。
直流电的电流方向则不随时间变化,像电池输出的电就是直流电。可控硅既可以用于交流电路,也可以用于直流电路,但在交流电路中的应用更为广泛,通过控制导通角来调节交流电压的有效值,进而控制电流大小。
相位角在交流电路中,用于描述正弦波信号在特定时刻的位置。对于可控硅控制来说,触发脉冲的相位角决定了可控硅在交流周期内何时开始导通。例如,在一个完整的交流正弦波周期(360°)中,如果在90°时触发可控硅导通,那么它的导通角就是270°(360° - 90°),通过改变这个触发相位角,就能改变可控硅的导通时间,从而实现对输出电流大小的控制。
阻容移相电路是利用电阻(R)和电容(C)对交流信号的不同响应特性来改变信号相位。当交流信号通过由电阻和电容组成的电路时,由于电容两端电压的变化滞后于电流,电阻两端电压与电流同相,通过合理选择电阻和电容的参数,可以使输出信号的相位相对于输入信号发生移动。在可控硅控制中,阻容移相电路可以产生相位可变的触发信号,以此来改变可控硅的导通角,实现对交流电压的调节。
PWM(脉冲宽度调制)是一种通过改变脉冲的占空比(即高电平持续时间与整个周期的比值)来控制输出平均电压的技术。光耦(光电耦合器)是一种利用光作为媒介来传输电信号的器件,它可以实现输入和输出之间的电气隔离。在可控硅控制中,微控制器输出的PWM信号经过光耦隔离后,去驱动可控硅的门极。这样一方面利用PWM信号的特性精确控制可控硅的触发,另一方面通过光耦实现了控制电路与主电路之间的隔离,提高了系统的安全性和稳定性。
同类文章排行
- 我国氢能产业发展迎来重要窗口期
- 关于矿用整流柜的使用环境
- 整流柜有哪些外形特征?
- 关于高频开关电源发展的四大趋势
- 我国新能源发展现状
- 国家能源局:可再生能源,完善绿色电力
- 氢能在工业领域的妙用:你知道多少?
- 国家能源局组织发布《新型电力系统发展蓝皮书》
- 2023世界氢能技术大会中外对话:氢能国际合作机遇与挑战
- 中国氢能产业具备10万亿规模潜力







关注微信
手机网站
微信咨询